| 阀体材质 | WCB、304不锈钢、316不锈钢 |
|---|---|
| 公称通径 | DN25~250mm |
| 公称压力 | PN1.6MPa、2.5MPa、Class150 |
| 密封形式 | 聚四氟乙烯PTFE密封(-40~+150℃)合金钢密封(-29-+425℃) |
| 适用介质 | 水、蒸汽、油品、硝酸、醋酸、氧化性介质、尿素等多种介质 |
| 驱动形式 | 手柄、蜗轮、电动、气动、液动等 |
| 行业应用 | 应用于 医疗器械、太阳能、清洗设备、食品机械、燃烧器、焊接切割、消防安全、生物制药、机械制造等行业等 |
V型对夹球阀一般采用金属密封,适合高温和耐磨场合使用,阀体是对夹式连接,由于它的球芯带有V型结构,使之与可动硬密封阀座之间具有良好密封性能与剪切功能。因此除适用于液体、气体等介质外,特别适用于造纸、食品、石油、化工、冶金、电力、制药、污水处理等行业中含有纤维或微小固体颗粒的悬浊液与粘度大的介质中,实现对有关工艺参数的控制。
执行机构选型
V型对夹球阀通过支架和联轴器和电动执行机构和气动执行机构连接,组成,电动V型对夹球阀(开关型和调节型控制信号4-20mA)和气动V型对夹球阀(开关型和调节型控制信号4-20mA)
| 序号 | 名称 | 数量 (件) | 材料 | ||
|---|---|---|---|---|---|
| 1 | 阀体 | 1 | WCB | CF8 | CF8M |
| 2 | 阀芯 | 1 | CF8表面镀硬铬 | CF8表面镀硬铬 | CF8M表面镀硬铬 |
| 3 | 圆柱销 | 2 | 304 | 304 | 316 |
| 4 | 阀座 | 1 | 304堆焊硬质合金 | 304堆焊硬质合金 | 316堆焊硬质合金 |
| 5 | 弹簧 | 1 | 17-7PH | 17-7PH | 316 |
| 6 | O型圈 | 1 | 氟橡胶 | 氟橡胶 | 氟橡胶 |
| 7 | 自润滑轴承 | 304+PTFE | 304+PTFE | 316+PTFE | |
| 8 | 下阀杆 | 1 | 20Cr13 | 304 | 316 |
| 9 | O型圈 | 1 | 氟橡胶 | 氟橡胶 | 氟橡胶 |
| 10 | 后压盖 | 1 | WCB | CF8 | CF8M |
| 11 | 环垫 | 1 | PTFE | PTFE | PTFE |
| 12 | 调节垫片 | 1 | PTFE | PTFE | PTFE |
| 13 | 平垫片 | 4 | Q235 | 304 | 304 |
| 14 | 螺栓 | 4 | 25 | 304 | 304 |
| 15 | 双头螺柱 | 2 | 25 | 304 | 304 |
| 16 | 自润滑轴承 | 1 | 304+PTFE | 304+PTFE | 316+PTFE |
| 17 | 平键 | 1 | 20Cr13 | 304 | 316 |
| 18 | 下填料 | 1 | PTFE | PTFE | PTFE |
| 19 | 中填料 | 1组 | PTFE | PTFE | PTFE |
| 20 | 上填料 | 1 | PTFE | PTFE | PTFE |
| 21 | 填料压盖 | 1 | WCB | CF8 | CF8M |
| 22 | 螺母 | 2 | 35 | 304 | 304 |
| 23 | 上阀杆 | 1 | 20Cr13 | 304 | 316 |
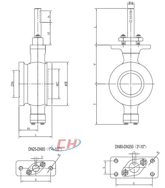
| DN | A | H | B | C | T | Y | L | L | φd | h | S | K | M | Z | 扭矩 |
|---|---|---|---|---|---|---|---|---|---|---|---|---|---|---|---|
| 25 | 50/60 | 30 | 68 | 38 | 81 | 73 | 102 | 75 | 16 | 35 | 75 | 2-M10 | 5 | 32 | |
| 32 | 60 | 35 | 76 | 45 | 86 | 78 | 100 | 75 | 16 | 35 | 75 | 2-M10 | 5 | 40 | |
| 40 | 60 | 35 | 84 | 50 | 90 | 80 | 102 | 75 | 16 | 35 | 75 | 2-M10 | 5 | 76 | |
| 50 | 75 | 43 | 100 | 62 | 93 | 90 | 104 | 75 | 16 | 35 | 75 | 2-M10 | 5 | 90 | |
| 65 | 100 | 50 | 118 | 73 | 108 | 105 | 102 | 75 | 16 | 35 | 75 | 2-M10 | 5 | 100 | |
| 80 | 100 | 57 | 132 | 90 | 123 | 118 | 110 | 75 | 20 | 35 | 90 | 28 | 4-M10 | 6 | 140 |
| 100 | 115 | 65 | 158 | 115 | 138 | 130 | 108 | 75 | 20 | 35 | 90 | 28 | 4-M10 | 6 | 150 |
| 125 | 129 | 78 | 184 | 134 | 148 | 145 | 110 | 80 | 25 | 40 | 90 | 28 | 4-M10 | 8 | 200 |
| 150 | 160 | 95 | 216 | 164 | 170 | 170 | 124 | 94 | 30 | 50 | 110 | 40 | 4-M12 | 8 | 300 |
| 200 | 200 | 120 | 268 | 206 | 200 | 201 | 124 | 94 | 30 | 50 | 110 | 40 | 4-M12 | 8 | 500 |
| 250 | 240 | 148 | 326 | 260 | 240 | 237 | 140 | 98 | 40 | 60 | 135 | 40 | 4-M16 | 12 | 800 |
| 球阀说明书 | 下载 |
|---|---|
| 球阀说明书-上海川沪阀门有限公司 | 点击下载 |