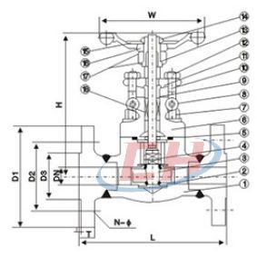
锻造不锈钢法兰闸阀结构紧凑、设计合理、阀门刚性好、通道流畅、流阻系数小,密封面采用不锈钢和硬质合金,使用寿命长,采用柔性石墨填料、密封可靠、操作轻便灵活。
使用范围
锻造不锈钢法兰闸阀应用于工作压力 1.6MPa~20.0MPa,工作温度 -29℃~200℃的石油、化工、水力、火力电站各种系统的管路上,适用介质为硝酸类、醋酸类、水、油、气类及某些腐蚀性液体。
| 序号 | 零件名称 | CS to ASTM | AS to ASTM | SS to ASTM | |
|---|---|---|---|---|---|
| Type A105 | Type F22 | Type F304(L) | Type F316(L) | ||
| 1 | 阀体 | A105 | A182 F22 | A182 F304(L) | A182 F316(L) |
| 2 | 阀座 | A276 420 | A276 304 | A276 304(L) | A276 316(L) |
| 3 | 闸板 | A276 410 & 430 | A182 F304 | A182 F304(L) | A182 F316(L) |
| 4 | 阀杆 | A182 F6 | A182 F304 | A182 F304(L) | A182 F316(L) |
| 5 | 垫片 | 316夹柔性石墨 | 316夹PIFE | ||
| 6 | 阀盖 | A105 | A182 F22 | A182 F304(L) | A182 F316(l) |
| 7 | 螺栓 | A193 B7 | A193 B16 | A193 B8 | A193 B8M |
| 8 | 销钉 | A276 420 | A276 304 | ||
| 9 | 填料压套 | A276 410 | A182 F304(L) | A182 F316(L) | |
| 10 | 活节螺栓 | A193 B7 | A193 B16 | A193 B8 | A193 B8M |
| 11 | 填料压板 | A105 | A182 F11 | A182 F304(L) | A182 F316(L) |
| 12 | 螺母 | A194 2H | A194 4 | A194 8 | A194 8M |
| 13 | 阀杆螺母 | A276 410 | |||
| 14 | 锁紧螺母 | A194 2H | A194 4 | A194 8 | A194 8M |
| 15 | 铭牌 | SS | |||
| 16 | 手轮 | A197 | |||
| 17 | 润滑垫片 | A473 431 | |||
| 18 | 填料 | Flexible Graphite | PTFE | ||
| 适用介质 | 水、蒸汽、油品等 | 水、蒸汽、油品等 | 硝酸、醋酸等 | ||
| 适用温度 | -29℃~425℃ | -29℃~550℃ | -29℃~180℃ | ||
| 规格Specs | 压力等级CLASS | L | H(开) | W | D3 | D2 | D1 | T | f | N- φ | 重量(kg)Woight | ||||
|---|---|---|---|---|---|---|---|---|---|---|---|---|---|---|---|
| 英制 British System |
公制 Motric System |
缩径RP | 全径FP | 缩径RP | 全径FP | 缩径RP | 全径FP | ||||||||
| 1/2 | 15 | 150 | 108 | 166 | 169 | 100 | 100 | 35 | 60.5 | 89 | 11.5 | 1.6 | 4-16 | 4.5 | 5 |
| 300 | 140 | 66.5 | 95 | 14.5 | 1.6 | 4-16 | 4.8 | 5.2 | |||||||
| 600 | 165 | 66.5 | 95 | 14.5 | 6.4 | 4-16 | 5.9 | 5.9 | |||||||
| 3/4 | 20 | 150 | 117 | 169 | 193 | 100 | 125 | 43 | 70 | 98 | 13 | 1.6 | 4-16 | 5.2 | 6.1 |
| 300 | 152 | 82.5 | 118 | 16 | 1.6 | 4-19 | 6.2 | 6.3 | |||||||
| 600 | 190 | 82.5 | 118 | 16 | 6.4 | 4-19 | 7.4 | 7.5 | |||||||
| 1 | 25 | 150 | 127 | 193 | 230 | 125 | 160 | 51 | 79.5 | 108 | 14.5 | 1.6 | 4-16 | 8.2 | 8.4 |
| 300 | 165 | 89 | 124 | 17.5 | 1.6 | 4-19 | 9.3 | 8.6 | |||||||
| 600 | 216 | 89 | 124 | 17.5 | 6.4 | 4-19 | 10.4 | 10.2 | |||||||
| 1-1/4 | 32 | 150 | 140 | 230 | 246 | 160 | 160 | 63.5 | 89 | 118 | 16 | 1.6 | 4-16 | 11.5 | 14.3 |
| 300 | 178 | 98.5 | 133 | 19.5 | 1.6 | 4-19 | 14 | 14.5 | |||||||
| 600 | 229 | 98.5 | 133 | 21 | 6.4 | 4-19 | 16.2 | 16.7 | |||||||
| 1-1/2 | 40 | 150 | 165 | 246 | 283 | 160 | 180 | 73 | 98.5 | 127 | 17.5 | 1.6 | 4-16 | 12.5 | 15.4 |
| 300 | 190 | 114.5 | 156 | 21 | 1.6 | 4-22.5 | 15.5 | 15.6 | |||||||
| 600 | 241 | 114.5 | 156 | 22.5 | 6.4 | 4-22.5 | 17.5 | 17.4 | |||||||
| 2 | 50 | 150 | 178 | 263 | 330 | 180 | 200 | 92 | 120.5 | 152 | 19.5 | 1.6 | 4-19 | 20.3 | 22.7 |
| 300 | 216 | 127 | 165 | 22.5 | 1.6 | 8-19 | 23.4 | 22.8 | |||||||
| 600 | 292 | 127 | 165 | 25.5 | 6.4 | 8-19 | 28.3 | 28.7 | |||||||
| 规格Specs | 压力等级K | L | H(开) | W | D3 | D2 | D1 | T | N- φ | 重量(kg)Weight | |||||
|---|---|---|---|---|---|---|---|---|---|---|---|---|---|---|---|
| 英制 Brtish System |
公制 Mstric Systsm |
缩径RP | 全径FP | 缩径RP | 全径FP | 缩径RP | 全径FP | ||||||||
| 1/2 | 15 | 10K | 108 | 166 | 169 | 100 | 100 | 52 | 70 | 95 | 12 | 1 | 4-15 | 4.8 | 5 |
| 20K | 140 | 70 | 95 | 14 | 4-15 | 5.2 | 5.2 | ||||||||
| 40K | 165 | 55 | 80 | 115 | 20 | 4-19 | 6.4 | 6.5 | |||||||
| 3/4 | 20 | 10K | 117 | 169 | 193 | 100 | 125 | 58 | 75 | 100 | 14 | 1 | 4-15 | 5.4 | 5.5 |
| 20K | 152 | 75 | 100 | 16 | 4-15 | 6.5 | 6.6 | ||||||||
| 40K | 190 | 60 | 85 | 120 | 20 | 4-19 | 7.8 | 8 | |||||||
| 1 | 25 | 10K | 127 | 193 | 230 | 125 | 160 | 70 | 90 | 125 | 14 | 1 | 4-19 | 8.6 | 8.8 |
| 20K | 165 | 90 | 125 | 16 | 4-19 | 9.7 | 10.8 | ||||||||
| 40K | 216 | 70 | 95 | 130 | 22 | 4-19 | 11.5 | 12.2 | |||||||
| 11/4 | 32 | 10K | 140 | 230 | 246 | 160 | 160 | 80 | 100 | 135 | 16 | 2 | 4-19 | 13.2 | 14.3 |
| 20K | 178 | 100 | 135 | 18 | 4-19 | 14.5 | 14.5 | ||||||||
| 40K | 229 | 80 | 105 | 140 | 24 | 4-19 | 17.8 | 13 | |||||||
| 11/2 | 40 | 10K | 165 | 246 | 283 | 160 | 180 | 85 | 105 | 140 | 16 | 2 | 4-19 | 14.8 | 15.06 |
| 20K | 190 | 105 | 140 | 18 | 4-19 | 15.9 | 16.2 | ||||||||
| 40K | 241 | 90 | 120 | 160 | 24 | 4-23 | 18.8 | 19 | |||||||
| 2 | 50 | 10K | 178 | 263 | 330 | 180 | 200 | 100 | 120 | 155 | 16 | 2 | 4-19 | 21 | 22.7 |
| 20K | 216 | 120 | 155 | 18 | 8-19 | 25 | 26 | ||||||||
| 40K | 292 | 105 | 130 | 165 | 26 | 8-19 | 29.5 | 30 | |||||||